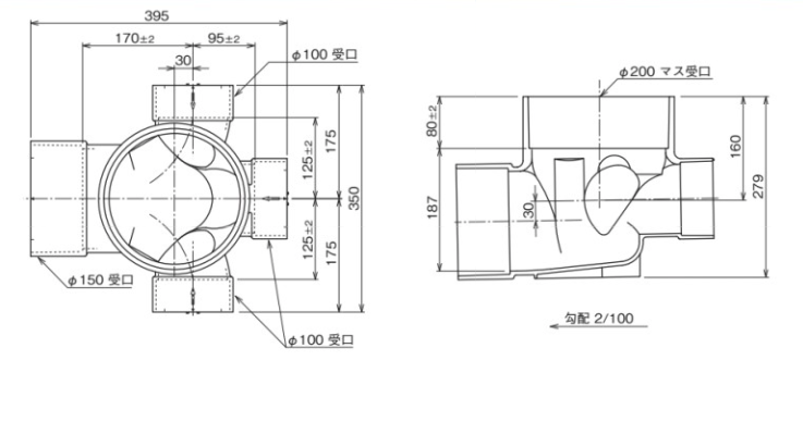
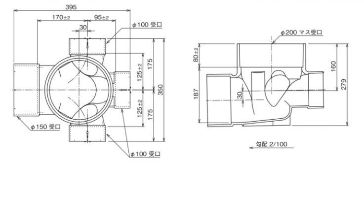
公共マス MGシリーズ(90度合流)
- メーカー
- アロン化成
- 担当からのコメント
-
5cm段差付両側90度合流公共マス
サイズ:100X150S-200 上流プラグ付新規在庫しました!
2021年6月25日 更新
店頭入荷情報
入荷商品を分類から探す
入荷商品をメーカーから探す
- 01_TOTO(34)
- 02_LIXIL(15)
- 03_パナソニック(7)
- 04_ノーリツ(11)
- 05_クリナップ(0)
- 06_タカラスタンダード(0)
- 07_トクラス(0)
- 08_ハウステック(0)
- 09_マキタ(0)
- 10_MAX(0)
- 11_HiKOKI(0)
- 12_日栄インテック(1)
- 49_その他メーカー(9)